Главная Каталог продукции Прайс-лист Полезная информация контакты
Редукторы цилиндрические
Редукторы червячные
Мотор-редукторы
Преобразователи частоты
Устройства плавного пуска
Аксессуары для ПЧ
Энкодеры
Карта сайта

 

Приводная техника

 

Вся продукция сертифицирована. Мы будем рады видеть Вас клиентом нашей компании.

 

 

Мотор-редукторы червячные двухступенчатые CHM/CHM Chiaravalli

Мотор-редукторы червячные двухступенчатые CHM/CHM Chiaravalli

 

Мотор-редукторы червячные двухступенчатые CHM/CHM Chiaravalli

 

Червячные редукторы производства Chiaravalli Trasmissioni SpA (Италия) пригодны для разнообразных типов монтажа. Постоянный контроль на всех стадиях производства обеспечивает наилучшее качество редукторов. Корпусы редукторов размеров от 025 до 090 - алюминиевые, размеров 110 и 130 - чугунные.
Все изделия покрашены аллюминиевой краской RAL 9022 для защиты деталей от износа и возникновения микротрещин корпуса.
Редукторы снабжены по меньшей мере одной заливной горловиной, которая используется в т.ч. и для тестирования возможных протечек масла.
Соединительные фланцы позволяют комбинировать 2 редуктора для получения более высоких передаточных чисел.

 

CHM/CHM характеристики с четырехполюсным электродвигателем - 1400 оборотов на входе

 

типоразмер редуктора
передаточное число, i
число оборотов на выходе, n2 (об/мин)
мощность двигателя, P1 (кВт)
крутящий момент, T2 (Нм)
CHM 
025/030
300
4.7
0.09
31
400
3.5
0.09
28
500
2.8
0.09
34
600
2.3
0.09
31
750
1.9
0.09
34
900
1.6
0.09
31
1200
1.2
0.09
31
1500
0.9
0.09
26
1800
0.8
0.09
23
2400
0.6
0.09
23


типоразмер редуктора
передаточное число, i
число оборотов на выходе, n2 (об/мин)
мощность двигателя, P1 (кВт)
крутящий момент, T2 (Нм)
CHM 
040/075
300
4.7
0.37
405
400
3.5
0.25
336
500
2.8
0.25
307
600
2.3
0.18
362
750
1.9
0.18
391
900
1.6
0.18
325
1200
1.2
0.18
359
1500
0.9
0.09
360
1800
0.8
0.09
404
2400
0.6
0.09
330


типоразмер редуктора
передаточное число, i
число оборотов на выходе, n2 (об/мин)
мощность двигателя, P1 (кВт)
крутящий момент, T2 (Нм)
CHM 
030/040
300
4.7
0.09
70
400
3.5
0.09
63
500
2.8
0.09
57
600
2.3
0.09
72
750
1.9
0.09
72
900
1.6
0.09
73
1200
1.2
0.09
65
1500
0.9
0.09
73
1800
0.8
0.09
73
2400
0.6
0.09
65


типоразмер редуктора
передаточное число, i
число оборотов на выходе, n2 (об/мин)
мощность двигателя, P1 (кВт)
крутящий момент, T2 (Нм)
CHM 
040/090
300
4.7
0.37
405
400
3.5
0.37
523
500
2.8
0.37
550
600
2.3
0.37
605
750
1.9
0.25
538
900
1.6
0.25
533
1200
1.2
0.18
629
1500
0.9
0.18
588
1800
0.8
0.18
492
2400
0.6
0.18
625


типоразмер редуктора
передаточное число, i
число оборотов на выходе, n2 (об/мин)
мощность двигателя, P1 (кВт)
крутящий момент, T2 (Нм)
CHM 
030/050
300
4.7
0.18
142
400
3.5
0.18
127
500
2.8
0.09
123
600
2.3
0.09
143
750
1.9
0.09
148
900
1.6
0.09
141
1200
1.2
0.09
118
1500
0.9
0.09
139
1800
0.8
0.09
155
2400
0.6
0.09
124


типоразмер редуктора
передаточное число, i
число оборотов на выходе, n2 (об/мин)
мощность двигателя, P1 (кВт)
крутящий момент, T2 (Нм)
CHM 
050/110
300
4.7
0.75
871
400
3.5
0.75
1013
500
2.8
0.55
984
600
2.3
0.55
1062
750
1.9
0.55
1128
900
1.6
0.37
1079
1200
1.2
0.25
943
1500
0.9
0.25
1064
1800
0.8
0.25
1075
2400
0.6
0.18
1001


типоразмер редуктора
передаточное число, i
число оборотов на выходе, n2 (об/мин)
мощность двигателя, P1 (кВт)
крутящий момент, T2 (Нм)
CHM 
030/063
300
4.7
0.22
210
400
3.5
0.18
222
500
2.8
0.18
205
600
2.3
0.18
208
750
1.9
0.18
216
900
1.6
0.09
200
1200
1.2
0.09
236
1500
0.9
0.09
204
1800
0.8
0.09
202
2400
0.6
0.09
220


типоразмер редуктора
передаточное число, i
число оборотов на выходе, n2 (об/мин)
мощность двигателя, P1 (кВт)
крутящий момент, T2 (Нм)
CHM 
063/130
300
4.7
1.50
1789
400
3.5
1.10
1519
500
2.8
1.10
1629
600
2.3
0.75
1631
750
1.9
0.75
1804
900
1.6
0.75
1826
1200
1.2
0.55
1705
1500
0.9
0.37
1674
1800
0.8
0.37
1698
2400
0.6
0.25
1624

 

Пример заказа: CHM/CHM 040/090 FA 2 500 OAD 63B14 V5

 

 

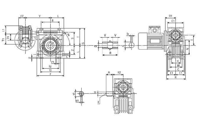
Габаритные размеры CHM-CHM/CHMR-CHM

 

Габаритные размеры CHM-CHM/CHMR-CHM




 

Монтажные положения для CHM/CHM-CHME, CHMR/CHM-CHME


Монтажные положения для CHM/CHM-CHME, CHMR/CHM-CHME

 

Позиции фланцев выходного вала для CHM 030-130

 

 


Позиции фланцев выходного вала для CHM 030-130

 

 

Размеры фланца для присоединения электродвигателей к CHM-CHME-CHMR-CHMRE 030-130

 

 

Размеры фланца для присоединения электродвигателей к CHM-CHME-CHMR-CHMRE 030-130

Размеры фланца для присоединения электродвигателей к CHM-CHME-CHMR-CHMRE 030-130

 

 

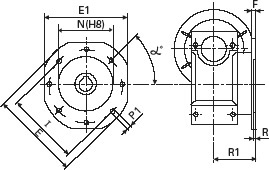
Размеры фланцев выходного вала для CHM-CHME-CHMR-CHMRE 030-130

 

 

Размеры фланцев выходного вала для CHM-CHME-CHMR-CHMRE 030-130



Размеры фланцев выходного вала для CHM-CHME-CHMR-CHMRE 030-130

 

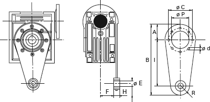
Размеры рычага крутящего момента для CHM-CHME-CHMR-CHMRE 030-130

 

Размеры рычага крутящего момента для CHM 030-130



Тип I R F H øE A B øC ød øP Масса комплекта, кг
CHT MV 030 85 15 24 14 8 38 138 65 7 55 8 0.18
Без виброустойчивой втулки
Тип I R F H øE A B øC ød øP Масса комплекта, кг
CHT MV 040 100 18 31.5 14 10 44 162 75 7 60 8 0.24
Тип I R F H øE A B øC ød øP Масса комплекта, кг
CHT MV 050 100 18 38.5 14 10 50 168 85 9 70 8 0.27
Тип I R F H øE A B øC ød øP Масса комплекта, кг
CHT MV 063 150 18 49 14 10 55 223 95 9 80 8 0.57
Тип I R F H øE A B øC ød øP Масса комплекта, кг
CHT MV 075 200 30 47.5 25 20 70 300 115 9 95 8 1.10
Тип I R F H øE A B øC ød øP Масса комплекта, кг
CHT MV 090 200 30 57.5 25 20 80 310 130 11 110 8 1.26
Тип I R F H øE A B øC ød øP Масса комплекта, кг
CHT MV 110 250 35 62 30 25 100 385 165 11 130 8 1.92
Тип I R F H øE A B øC ød øP Масса комплекта, кг
CHT MV 130 250 35 69 30 25 125 410 215 14 180 8 2.23

 

 

 

Приводная техника (мотор-редукторы, преобразователи частоты и устройства плавного пуска) отправляется покупателю транспортной компанией. По всем вопросам обращаться в офис.


Мы всегда рады видеть у себя наших старых партнеров и ждем новых.

Доставка во все регионы России!